LOTTO CV0085 – CENTRO DI LAVORO DECKEL MAHO DMC63V

This auction has ended

There are no bids.

ANNO: 1997

N/S: 2885 – 0481

C.N. SIEMENS

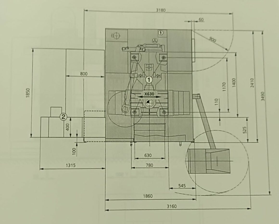
Tavola: 800 x 500 mm

Peso ammesso: 500 Kg

Corse:

Asse X 630 mm

Asse Y 500 mm

Asse Z 500 mm

Mandrino: ISO 40

Velocità 8000 giri/min

Potenza 11 kW

Magazzino Utensili: 24 posti

Alimentazione elettrica: 400 V 50 Hz

Potenza installata: 24 kW

Ingombri: 1860 x 2410 x 2630 mm

Peso: 4500 Kg

ACCESSORI

Tavola quarto asse LEHMANN mod.EA-410.1°/KT-306

Anno di produzione: 1998

Matricola: 986

Altezza punte: 110 mm

DATI NON IMPEGNATIVI DA VERIFICARSI

Disponibile da

15/01/25

Stato dell'articolo:

Buono

Ubicazione:

Via M. Buonarroti 35, 24050 PALOSCO (BG)

Costi smontaggio

500